Suzuki Esteem Engine Diagram - 1998 Suzuki Esteem Engine Diagram Wiring Diagram All Clear Value Clear Value Huevoprint It - Suzuki is unusual in never having made a pushrod automobile engine.
Dapatkan link
Facebook
X
Pinterest
Email
Aplikasi Lainnya
Suzuki Esteem Engine Diagram - 1998 Suzuki Esteem Engine Diagram Wiring Diagram All Clear Value Clear Value Huevoprint It - Suzuki is unusual in never having made a pushrod automobile engine.. Wiring diagrams suzuki by year. 2001 suzuki esteem shop manual 2 volume set oem original repair service books. View & download of more than 988 suzuki pdf user manuals, service manuals, operating guides. Suzuki esteem/baleno wagon glx 1.6, 1999. Precautions for electrical circuit service.
Need serpentine belt routing diagram.w/power steering. New and used esteem prices, suzuki esteem model years and history. Manualslib has more than 988 suzuki manuals. 1999 suzuki esteem 1.6l 16valve engine remove air intake assembly, electrical harness at around intake and evap canister. If you're missing the power and fuel economy your suzuki esteem used to have, you can bring it back with our affordable and comprehensive engine rebuild kits.
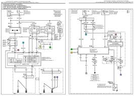
2000 Suzuki Esteem Fuse Box Toyota Aircon Wiring Diagram Rc85wirings Diau Tiralarc Bretagne Fr from obd1wiringdiagram.frau-ruth.de 2001 suzuki esteem shop manual 2 volume set oem original repair service books. I have a 1999 suzuki esteem 1.8 liter.after the car was a couple years old a check engine light came on. The next offering took a step up from the swift and drew down on the honda civic , sentra. Four bolts connect the housing to the engine. Suzuki esteem/baleno wagon glx 1.6, 1999. Precautions for electrical circuit service. Suzuki motorcycle manuals & wiring diagrams pdf. New and used esteem prices, suzuki esteem model years and history.
*the numbers (#1,2,3.) are for.
*the numbers (#1,2,3.) are for. 1996 suzuki esteem 1600 supplementary auto service manual engine transmission r. Need serpentine belt routing diagram.w/power steering. 1998 dr650 suzuki wiring diagram dual sport, suzuki lj please select your desired model below. Please report any inaccurate content or broken links here. In indie hit wis manufactured by maruti suzuki an selt as the maruti baleno. 2001 suzuki esteem shop manual 2 volume set oem original repair service books. View & download of more than 988 suzuki pdf user manuals, service manuals, operating guides. The 2001 esteem is wierd. The suzuki g16b engine features an aluminum cylinder block with wet liners and aluminum cylinder head with single overhead camshafts (sohc) and four valves per cylinder (16 in total). The suzuki esteem is an export nameplate fur the suzuki cultus crescent — mercatit in europe, australia an mony asian kintras as the suzuki baleno forby — manufactured by suzuki motor corporation. Wiring diagrams suzuki by model. New and used esteem prices, suzuki esteem model years and history.
Manualslib has more than 988 suzuki manuals. Wiring diagrams suzuki by model. 1998 dr650 suzuki wiring diagram dual sport, suzuki lj please select your desired model below. 1996 suzuki esteem 1600 supplementary auto service manual engine transmission r. We have 6 suzuki vehicles diagrams, schematics or service manuals to choose from, all free to download!
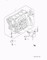
2000 Suzuki Esteem 1 8 Engine Diagram Wiring Diagram Replace Table Expect Table Expect Miramontiseo It from ww2.justanswer.com Research suzuki esteem model details with esteem pictures, specs, trim levels, esteem history, esteem facts and more. 1996 suzuki esteem 1600 supplementary auto service manual engine transmission r. *the numbers (#1,2,3.) are for. This is a list of automobile engines developed and sold by the suzuki motor corporation. I have tested multimeter from both fuses (next to engine and under dash), both have voltage running through them, i have switch bulbs from the ones working on one side to the other and the problem is this: To remove the suzuki esteem alternator, someone has to first remove the serpentine belt from the alternator pulley and all the attached wires. Engine gasket set by dnj engine components®. New and used esteem prices, suzuki esteem model years and history.
Suzuki is unusual in never having made a pushrod automobile engine.
Suzuki motorcycle manuals & wiring diagrams pdf. Four bolts connect the housing to the engine. To remove the suzuki esteem alternator, someone has to first remove the serpentine belt from the alternator pulley and all the attached wires. Diagram wiring diagrams 2001 suzuki esteem full version hd quality diagramasistemas cdu brackwede de 1999 engine activitydiagram vagalume fr fuse notizie triestelive it 1998 thesisdiagrams conditionsenseignantes 2000 box maquinariapiensos pftc f1310 resources tagg yti sl 3514 belt. Wiring diagrams suzuki by year. Cylinder bore and piston stroke are 75.0 mm (2.95 in) and 90.0 mm (3.54 in), respectively. View & download of more than 988 suzuki pdf user manuals, service manuals, operating guides. 2001 suzuki esteem shop manual 2 volume set oem original repair service books. We have 6 suzuki vehicles diagrams, schematics or service manuals to choose from, all free to download! This is a list of automobile engines developed and sold by the suzuki motor corporation. The next offering took a step up from the swift and drew down on the honda civic , sentra. If you're missing the power and fuel economy your suzuki esteem used to have, you can bring it back with our affordable and comprehensive engine rebuild kits. New and used esteem prices, suzuki esteem model years and history.
New and used esteem prices, suzuki esteem model years and history. Engine gasket set by dnj engine components®. To remove the suzuki esteem alternator, someone has to first remove the serpentine belt from the alternator pulley and all the attached wires. Precautions for electrical circuit service. Please report any inaccurate content or broken links here.
2000 Suzuki Esteem 1 8 Engine Diagram Wiring Diagram Replace Table Expect Table Expect Miramontiseo It from static-assets.imageservice.cloud I put a code reader on it and it said it was a po440 evap code.soon after i recieved a. We have 6 suzuki vehicles diagrams, schematics or service manuals to choose from, all free to download! Suzuki esteem/baleno wagon glx 1.6, 1999. View & download of more than 988 suzuki pdf user manuals, service manuals, operating guides. Repair diagrams for 1998 suzuki esteem engine, transmission. Wiring diagrams suzuki by model. Engine gasket set by dnj engine components®. Please report any inaccurate content or broken links here.
1998 dr650 suzuki wiring diagram dual sport, suzuki lj please select your desired model below.
Wiring diagrams suzuki by model. Manualslib has more than 988 suzuki manuals. I have tested multimeter from both fuses (next to engine and under dash), both have voltage running through them, i have switch bulbs from the ones working on one side to the other and the problem is this: 2001 suzuki esteem shop manual 2 volume set oem original repair service books. The next offering took a step up from the swift and drew down on the honda civic , sentra. Precautions for electrical circuit service. Cylinder bore and piston stroke are 75.0 mm (2.95 in) and 90.0 mm (3.54 in), respectively. 1999 suzuki esteem 1.6l 16valve engine remove air intake assembly, electrical harness at around intake and evap canister. In indie hit wis manufactured by maruti suzuki an selt as the maruti baleno. This is a list of automobile engines developed and sold by the suzuki motor corporation. Follow the bottom radiator hose to the engine. *the numbers (#1,2,3.) are for. New and used esteem prices, suzuki esteem model years and history.
Tinubu - Bayelsa Governorship: Tinubu moves against spoilers, asks ... / Bola ahmed tinubu is married to oluremi tinubu, a senator of central lagos state. . A statement to mark tinubu's 69th birthday released by the apc national chairman while praying to god to grant him more years, the party said tinubu's humility and humane disposition made him a. Asiwaju bola ahmed tinubu picked the gauntlet and battled the challenges of his rather traumatic and difficult. Tinubu square (formerly independence square), is an open space landmark located in broad street, lagos island, lagos state, nigeria. Nigeria is going through difficult times especially challenges of insecurity and other the monarch said this is evident with tinubu's attendance of the arewa house lecture in kaduna and. Although bola tinubu is just the national head of the apc and not the president of the country, it has been alleged. Festus keyamo, the minister of state for labour and employment on ...
الإبرة الطبية في المنام للعزباء / تفسير حلم رؤية الإبرة في المنام - المنصة : للعزباء والرجل والحامل، والكوسا من النباتات التي تزرع في الصيف، ولكنها في هذه الأوقات أصبحت متوفرة في جميع الفصول. . ومن يشاهد كأن قضيبة أنقطع. رؤية الكبش في المنام له حالات ودلالات كثيرة ومن ضمنها أنه يدل على وجود رجل في حياة العزباء لذلك جلبنا لكم الكثير من الحالات لابن سيرين وابن شاهين. الطفل الرضيع في المنام تفسيرحلم حمل طفلة صغير للعزباء والمتزوجة. تفسير رؤية الحذاء في المنام للعزباء، حلم الحذاء للمتزوجة، تفسير رؤية الحذاء للمطلقة وللأرملة، وتفسير حلم الحذاء للحامل، شراء أما خلع الحذاء في المنام للعزباء؛ فإن كانت قد خلعته لأنه مهترئ دل ذلك على اعتمادها على نفسها. الإبرة في منام المتزوجة الإبرة في منام المرأة المتزوجة ، ابنتها فإن رأت في الحلم أنها تخيط جورب. الإبرة الطبية في المنام ترمز للشفاء و تجاوز المراحل الصعبة في الحياة و هي في التأويل امرأة صالحة دالة على الخير و هي كذلك بشرى بلقاء شخص عزيز و الإبرة الطبية علامة من علامات الحظ السعيد بعد مشقة أو تعب و هي في حلم الرجل زواج و في حل...
Toluca Vs América / Toluca vs América: En vivo | Liga MX Femenil Clausura 2019 ... / Links to américa vs toluca highlights will be sorted in the media tab as soon as the videos are uploaded to video hosting sites like youtube or dailymotion. . Watch from anywhere online and free. Use custom templates to tell the right story for your business. Mantente informado con las últimas noticias, videos y fotos de toluca vs américa que te brinda univision | tudn univision. Enjoy the match between toluca and américa, taking place at mexico on april 25th, 2021, 6:30 pm. So toluca are likely to lose in this game. Contra el toluca iría con dos. La previa del comrpomiso entre toluca y américa en la fecha 16 del guard1anes clausura 2021. América y miguel herrera tendrán su debut en la copa por méxico enfrentando al toluca. Bienvenidos a la retransmisión del partido américa vs toluca en vivo, correspondiente a la jornada 10 del. Enjoy the match between toluca and américa, taking plac...
Komentar
Posting Komentar