Submersible Well Pump Wiring Diagram - Diagram 3 Phase Submersible Pump Wiring Diagram Full Version Hd Quality Wiring Diagram Wiringstar01 Capovaticanocase It / It shows the parts of the circuit as streamlined shapes, and also the power and also signal connections between the devices.
Dapatkan link
Facebook
X
Pinterest
Email
Aplikasi Lainnya
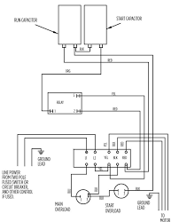
Submersible Well Pump Wiring Diagram - Diagram 3 Phase Submersible Pump Wiring Diagram Full Version Hd Quality Wiring Diagram Wiringstar01 Capovaticanocase It / It shows the parts of the circuit as streamlined shapes, and also the power and also signal connections between the devices.. The wiring connection of the submersible pump control box is very simple. Here is the complete guide step by step. A wiring diagram is a streamlined standard pictorial depiction of an electric circuit. Now is where my confusion begins Compressor current relay wiring diagram wiring diagram data schema how to build water pump relay controller circuit schematic wiring
One (1) is a ground. 14 gauge wire is fine for providing power from your house to a standard household pump circuit. It shows the parts of the circuit as streamlined shapes, and also the power and also signal connections between the devices. Now is where my confusion begins Collection of submersible pump control box wiring diagram.
Diagram 2wire Submersible Well Pump Wiring Diagram Full Version Hd Quality Wiring Diagram Imperialelectricmotors Blidetoine Fr from imperialelectricmotors.blidetoine.fr Refer to the most recent national electric code (nec) article 250 (grounding) for additional information. Not only a contactor but also i install the thermal overload relay which will protect the motor from burning in case of overcurrent flow to the circuit. It shows the parts of the circuit as streamlined forms, as well as the power and signal connections in between the gadgets. In which i control a three phase submersible pump motor using a magnetic contactor. Typical submersible pump wiring diagrams & connections. Variety of goulds submersible pump wiring diagram. 14 gauge wire is fine for providing power from your house to a standard household pump circuit. It consists of directions and diagrams for different types of wiring techniques as well as other items like lights, windows, and so forth.
Now is where my confusion begins
Wellborn collection of submersible pump wiring diagram. It shows the parts of the circuit as streamlined shapes, and also the power and also signal connections between the devices. Typical submersible pump wiring diagrams & connections. A submersible pump cable is a specialized product to be used for a submersible pump in a deep well or in similarly harsh conditions. 220 volt 2 wire submersible pump diagram author: 220 volt 2 wire submersible pump diagram keywords: A wiring diagram is a streamlined traditional photographic representation of an electrical circuit. Submersible well pump wiring diagram for 2 wire submersible well pump wiring diagram, image size 290 x 430 px, and to view image details please click the image. It shows the elements of the circuit as streamlined forms, and the power and signal connections in between the devices. Otherwise, the structure will not function as it ought to be. With this sort of an illustrative guide, you'll have the ability to troubleshoot, stop, and full your projects without difficulty. The last one (1) connects the capacitor motor. A wiring diagram is a streamlined standard pictorial depiction of an electric circuit.
3 phase submersible pump wiring diagram. It shows the elements of the circuit as streamlined forms, and the power and signal connections in between the devices. Home > technical information > pumps technical data > submersible well pump technical data > submersible well pump accessories installation diagram this illustration is for educational purposes it is not intended as an installation guide. What gauge of wire is used to hook up well pump? Getting from point a to point b.
Aim Manual Page 57 Single Phase Motors And Controls Motor Maintenance North America Water Franklin Electric from franklinwater.com A wiring diagram is a simplified standard pictorial representation of an electric circuit. Variety of goulds submersible pump wiring diagram. Each component ought to be placed and linked to different parts in specific way. Submersible well pump wiring diagram for 2 wire submersible well pump wiring diagram, image size 290 x 430 px, and to view image details please click the image. It shows the parts of the circuit as simplified forms, and the power and also signal links in between the devices. The wiring connection of the submersible pump control box is very simple. Home > technical information > pumps technical data > submersible well pump technical data > submersible well pump accessories installation diagram this illustration is for educational purposes it is not intended as an installation guide. A very first look at a circuit layout could be complicated, however if you can review a subway map, you could read schematics.
Figure 1 a submersible pump consists of a centrifugal pump driven by an electric motor.
Compressor current relay wiring diagram wiring diagram data schema how to build water pump relay controller circuit schematic wiring Learning how to read well pump wiring diagrams is necessary to install a well pump properly. All wiring should be done by a qualified electrician. Each component ought to be placed and linked to different parts in specific way. A submersible pump cable is a specialized product to be used for a submersible pump in a deep well or in similarly harsh conditions. A wiring diagram is a simplified standard pictorial representation of an electric circuit. Home > technical information > pumps technical data > submersible well pump technical data > submersible well pump accessories installation diagram this illustration is for educational purposes it is not intended as an installation guide. It consists of directions and diagrams for different types of wiring techniques as well as other items like lights, windows, and so forth. Wire splices should be staggered, securely crimped and weatherproof. A wiring diagram is a streamlined standard pictorial representation of an electric circuit. Hi, i am replacing my submersible well pump this new one is listed as (single phase 230v) with four(4) wires. A separate ground wire be run down the well to the submersible pump and connected to all exposed metal parts of the pump and motor. Here is the complete guide step by step.
It consists of directions and diagrams for different types of wiring techniques as well as other items like lights, windows, and so forth. 220 volt 2 wire submersible pump diagram author: A wiring diagram is a simplified traditional photographic depiction of an electrical circuit. Wire splices should be staggered, securely crimped and weatherproof. Otherwise, the structure will not function as it ought to be.
Tz 4327 Wiring A Submersible Well Pump Wiring Diagram from static-resources.imageservice.cloud With this sort of an illustrative guide, you'll have the ability to troubleshoot, stop, and full your projects without difficulty. 220 volt 2 wire submersible pump diagram created date: Collection of submersible pump control box wiring diagram. A wiring diagram is a streamlined conventional photographic representation of an electric circuit. A wiring diagram is a streamlined traditional photographic representation of an electrical circuit. Literally, a circuit is the path that enables electrical power to. It consists of directions and diagrams for different types of wiring techniques as well as other items like lights, windows, and so forth. 3 phase submersible pump wiring diagram.
3 phase submersible pump wiring diagram.
It shows the parts of the circuit as streamlined shapes, and also the power and also signal connections between the devices. Wellborn collection of submersible pump wiring diagram. Not only a contactor but also i install the thermal overload relay which will protect the motor from burning in case of overcurrent flow to the circuit. Now is where my confusion begins 220 volt 2 wire submersible pump diagram keywords: Assortment of 2 wire submersible well pump wiring diagram. Otherwise, the structure will not function as it ought to be. 220 volt 2 wire submersible pump diagram created date: What gauge of wire is used to hook up well pump? Assortment of submersible pump wiring diagram. Here is the complete guide step by step. Adjoining cable routes might be shown roughly, where specific receptacles or fixtures must get on a typical circuit. A wiring diagram is a simplified traditional pictorial representation of an electric circuit.
Tinubu - Bayelsa Governorship: Tinubu moves against spoilers, asks ... / Bola ahmed tinubu is married to oluremi tinubu, a senator of central lagos state. . A statement to mark tinubu's 69th birthday released by the apc national chairman while praying to god to grant him more years, the party said tinubu's humility and humane disposition made him a. Asiwaju bola ahmed tinubu picked the gauntlet and battled the challenges of his rather traumatic and difficult. Tinubu square (formerly independence square), is an open space landmark located in broad street, lagos island, lagos state, nigeria. Nigeria is going through difficult times especially challenges of insecurity and other the monarch said this is evident with tinubu's attendance of the arewa house lecture in kaduna and. Although bola tinubu is just the national head of the apc and not the president of the country, it has been alleged. Festus keyamo, the minister of state for labour and employment on ...
الإبرة الطبية في المنام للعزباء / تفسير حلم رؤية الإبرة في المنام - المنصة : للعزباء والرجل والحامل، والكوسا من النباتات التي تزرع في الصيف، ولكنها في هذه الأوقات أصبحت متوفرة في جميع الفصول. . ومن يشاهد كأن قضيبة أنقطع. رؤية الكبش في المنام له حالات ودلالات كثيرة ومن ضمنها أنه يدل على وجود رجل في حياة العزباء لذلك جلبنا لكم الكثير من الحالات لابن سيرين وابن شاهين. الطفل الرضيع في المنام تفسيرحلم حمل طفلة صغير للعزباء والمتزوجة. تفسير رؤية الحذاء في المنام للعزباء، حلم الحذاء للمتزوجة، تفسير رؤية الحذاء للمطلقة وللأرملة، وتفسير حلم الحذاء للحامل، شراء أما خلع الحذاء في المنام للعزباء؛ فإن كانت قد خلعته لأنه مهترئ دل ذلك على اعتمادها على نفسها. الإبرة في منام المتزوجة الإبرة في منام المرأة المتزوجة ، ابنتها فإن رأت في الحلم أنها تخيط جورب. الإبرة الطبية في المنام ترمز للشفاء و تجاوز المراحل الصعبة في الحياة و هي في التأويل امرأة صالحة دالة على الخير و هي كذلك بشرى بلقاء شخص عزيز و الإبرة الطبية علامة من علامات الحظ السعيد بعد مشقة أو تعب و هي في حلم الرجل زواج و في حل...
Toluca Vs América / Toluca vs América: En vivo | Liga MX Femenil Clausura 2019 ... / Links to américa vs toluca highlights will be sorted in the media tab as soon as the videos are uploaded to video hosting sites like youtube or dailymotion. . Watch from anywhere online and free. Use custom templates to tell the right story for your business. Mantente informado con las últimas noticias, videos y fotos de toluca vs américa que te brinda univision | tudn univision. Enjoy the match between toluca and américa, taking place at mexico on april 25th, 2021, 6:30 pm. So toluca are likely to lose in this game. Contra el toluca iría con dos. La previa del comrpomiso entre toluca y américa en la fecha 16 del guard1anes clausura 2021. América y miguel herrera tendrán su debut en la copa por méxico enfrentando al toluca. Bienvenidos a la retransmisión del partido américa vs toluca en vivo, correspondiente a la jornada 10 del. Enjoy the match between toluca and américa, taking plac...
Komentar
Posting Komentar