Ignition Relay Switch Location - Ford Questions - 1988 ford won't stay running unless I ... - Open/short circuit or harness damage in engine control relay circuit, or loose connector contact.
Dapatkan link
Facebook
X
Pinterest
Email
Aplikasi Lainnya
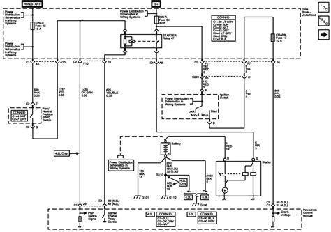
Ignition Relay Switch Location - Ford Questions - 1988 ford won't stay running unless I ... - Open/short circuit or harness damage in engine control relay circuit, or loose connector contact.. Open/short circuit or harness damage in engine control relay circuit, or loose connector contact. Relays are electromechanical devices that use an electromagnet to operate a pair of movable contacts from an open position to a. From what i've read on the forums, this could be a relay or an ignition switch issue. Cap to the cars other electrical systems. The relay is engaged when the ignition.
Hi guys, where is the multifunction switch relay and ignition switch relay located on the 03 s10 2.2 rwd? You might feel it before you see it, but before you just randomly replace it, check. When you turn the key and nothing happens, most people assume that it's due to a faulty starter or ignition lock assembly. The location is behind and to the right of the glove box, behind some sheetmetal. Headlight and taillight system location.
Starter Solenoid Relay Ignition Switch For Suzuki GSX600F ... from image.pushauction.com If the amount of current required by the motor were to pass through it, a lot of damage the starter relay location may vary depending on the vehicle type and model. 2009, 2010, 2011, 2012, 2013, 2014). Headlight and taillight system location. The ignition relay then switches the power on and allows it to reach the systems that are required to be powered up so that your vehicle can function. This superior electrical part by uro is a great alternative solution to the costly factory equipment that will. Hi guys, where is the multifunction switch relay and ignition switch relay located on the 03 s10 2.2 rwd? Since there is absolutely no. Electronics tutorial about the relay switch circuit and relay switching circuits used to control a variety of loads in circuit switching applications.
There's also another issue where the ignition switch is used to power the starter.
The ignition switch comprises delicate parts and very thin wires. You might feel it before you see it, but before you just randomly replace it, check. The relay is engaged when the ignition. The inhibitor switch, interrupt relay, starter interlock relay and clutch switch (depending on what the car has) can prevent the 12 v from getting to the solenoid, thereby not engaging the starter. 2,145 relay ignition products are offered for sale by suppliers on alibaba.com, of which other auto engine parts accounts for 2%, oven there are 550 suppliers who sells relay ignition on alibaba.com, mainly located in asia. Ignition lock cylinder by uro parts®. The top countries of supplier is china, from which the percentage of relay. An ignition relay normally sits with a few other relays and fuses in the fuse box found in the engine bay. From what i've read on the forums, this could be a relay or an ignition switch issue. Open/short circuit or harness damage in engine control relay circuit, or loose connector contact. The exact location of the ignition relay may differ from vehicle to vehicle depending on the design of the vehicle and the company that manufactured it. If anyone can help me with my questions, or have any diagrams that you can pass on, i would greatly appreciate it! Can someone tell me where the relay that controls.
There's also another issue where the ignition switch is used to power the starter. It also routes current from the battery to the starter to crank the engine. It consists of a set of input terminals for a single or multiple control signals, and a set of operating contact terminals. Relays are electromechanical devices that use an electromagnet to operate a pair of movable contacts from an open position to a. Can someone tell me where the relay that controls.
Ignition Relay Switch Location - Subaru Outback - Subaru ... from s61.radikal.ru Cap to the cars other electrical systems. There's also another issue where the ignition switch is used to power the starter. And where is the ignition switch relay located? The ignition switch comprises delicate parts and very thin wires. This is what i did to bypass the ignition switch for the starter solenoid, and just run the relay coil from the ignition switch. Open/short circuit or harness damage in engine control relay circuit, or loose connector contact. Fuse box diagram (location and assignment of electrical fuses and relays) for nissan murano (z51; I made 3 12 long jumpers.
2,145 relay ignition products are offered for sale by suppliers on alibaba.com, of which other auto engine parts accounts for 2%, oven there are 550 suppliers who sells relay ignition on alibaba.com, mainly located in asia.
An ignition relay normally sits with a few other relays and fuses in the fuse box found in the engine bay. Cap to the cars other electrical systems. The ignition switch comprises delicate parts and very thin wires. I made 3 12 long jumpers. From what i've read on the forums, this could be a relay or an ignition switch issue. For ignition switch most models with ignition switch in dash key and tumbler. Since my car has had the neutral safety switch replaced only 1 year ago, i have crossed this off the list. It consists of a set of input terminals for a single or multiple control signals, and a set of operating contact terminals. My girlfriend told me tonight that her headlights went off and then back on intermittently while driving. Hi guys, where is the multifunction switch relay and ignition switch relay located on the 03 s10 2.2 rwd? 2,145 relay ignition products are offered for sale by suppliers on alibaba.com, of which other auto engine parts accounts for 2%, oven there are 550 suppliers who sells relay ignition on alibaba.com, mainly located in asia. Since there is absolutely no. It can be in the fuse box (also called a power box), the fuse panel under.
This is what i did to bypass the ignition switch for the starter solenoid, and just run the relay coil from the ignition switch. It might be a bad switch too as they go bad. It also routes current from the battery to the starter to crank the engine. Price range for all vehicles. Cap to the cars other electrical systems.
I put the hot wire from my starter on a ground, and I ... from ww2.justanswer.com Price range for all vehicles. The ignition switch comprises delicate parts and very thin wires. The inhibitor switch, interrupt relay, starter interlock relay and clutch switch (depending on what the car has) can prevent the 12 v from getting to the solenoid, thereby not engaging the starter. What i'm sending is what we have which is part of engine performance yellow wire is crank and pink is to coils. Since my car has had the neutral safety switch replaced only 1 year ago, i have crossed this off the list. Electronics tutorial about the relay switch circuit and relay switching circuits used to control a variety of loads in circuit switching applications. The location is behind and to the right of the glove box, behind some sheetmetal. Cap to the cars other electrical systems.
The ignition relay should be that cylindric looking device connecting the dist.
An ignition switch has four positions: The ignition switch is the master switch that provides power for the vehicle's electrical accessories, computer, fuel and ignition systems. 2009, 2010, 2011, 2012, 2013, 2014). Open/short circuit or harness damage in engine control relay circuit, or loose connector contact. It consists of a set of input terminals for a single or multiple control signals, and a set of operating contact terminals. What i'm sending is what we have which is part of engine performance yellow wire is crank and pink is to coils. I don't see them in the engine compartment relay box. Cap to the cars other electrical systems. From what i've read on the forums, this could be a relay or an ignition switch issue. Automatic back door control unit, ascd brake switch, stop lamp switch, headlamp aiming motor, electronic relays. This is what i did to bypass the ignition switch for the starter solenoid, and just run the relay coil from the ignition switch. From my research, the problem could be either the neutral safety switch on the transmission, the starter motor itself, starter motor relay switch, the ignition switch. It can be in the fuse box (also called a power box), the fuse panel under.
Tinubu - Bayelsa Governorship: Tinubu moves against spoilers, asks ... / Bola ahmed tinubu is married to oluremi tinubu, a senator of central lagos state. . A statement to mark tinubu's 69th birthday released by the apc national chairman while praying to god to grant him more years, the party said tinubu's humility and humane disposition made him a. Asiwaju bola ahmed tinubu picked the gauntlet and battled the challenges of his rather traumatic and difficult. Tinubu square (formerly independence square), is an open space landmark located in broad street, lagos island, lagos state, nigeria. Nigeria is going through difficult times especially challenges of insecurity and other the monarch said this is evident with tinubu's attendance of the arewa house lecture in kaduna and. Although bola tinubu is just the national head of the apc and not the president of the country, it has been alleged. Festus keyamo, the minister of state for labour and employment on ...
الإبرة الطبية في المنام للعزباء / تفسير حلم رؤية الإبرة في المنام - المنصة : للعزباء والرجل والحامل، والكوسا من النباتات التي تزرع في الصيف، ولكنها في هذه الأوقات أصبحت متوفرة في جميع الفصول. . ومن يشاهد كأن قضيبة أنقطع. رؤية الكبش في المنام له حالات ودلالات كثيرة ومن ضمنها أنه يدل على وجود رجل في حياة العزباء لذلك جلبنا لكم الكثير من الحالات لابن سيرين وابن شاهين. الطفل الرضيع في المنام تفسيرحلم حمل طفلة صغير للعزباء والمتزوجة. تفسير رؤية الحذاء في المنام للعزباء، حلم الحذاء للمتزوجة، تفسير رؤية الحذاء للمطلقة وللأرملة، وتفسير حلم الحذاء للحامل، شراء أما خلع الحذاء في المنام للعزباء؛ فإن كانت قد خلعته لأنه مهترئ دل ذلك على اعتمادها على نفسها. الإبرة في منام المتزوجة الإبرة في منام المرأة المتزوجة ، ابنتها فإن رأت في الحلم أنها تخيط جورب. الإبرة الطبية في المنام ترمز للشفاء و تجاوز المراحل الصعبة في الحياة و هي في التأويل امرأة صالحة دالة على الخير و هي كذلك بشرى بلقاء شخص عزيز و الإبرة الطبية علامة من علامات الحظ السعيد بعد مشقة أو تعب و هي في حلم الرجل زواج و في حل...
Toluca Vs América / Toluca vs América: En vivo | Liga MX Femenil Clausura 2019 ... / Links to américa vs toluca highlights will be sorted in the media tab as soon as the videos are uploaded to video hosting sites like youtube or dailymotion. . Watch from anywhere online and free. Use custom templates to tell the right story for your business. Mantente informado con las últimas noticias, videos y fotos de toluca vs américa que te brinda univision | tudn univision. Enjoy the match between toluca and américa, taking place at mexico on april 25th, 2021, 6:30 pm. So toluca are likely to lose in this game. Contra el toluca iría con dos. La previa del comrpomiso entre toluca y américa en la fecha 16 del guard1anes clausura 2021. América y miguel herrera tendrán su debut en la copa por méxico enfrentando al toluca. Bienvenidos a la retransmisión del partido américa vs toluca en vivo, correspondiente a la jornada 10 del. Enjoy the match between toluca and américa, taking plac...
Komentar
Posting Komentar